【お問合せ】
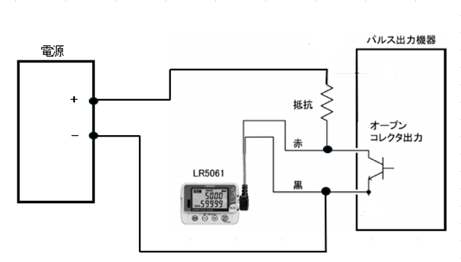
パルスロガーLR5061に、オープンコレクタ(オープンドレイン)でパルス出力する機器を接続したい。接続機器の定格が、50V,100mAで、外部電源は、24Vを使用する。プルアップ抵抗は何Ωにすればよいか?
【回答】
オープンコレクタ(オープンドレイン)でパルス出力する機器をLR5061に接続する場合は、以下のように接続します。抵抗は、オープンコレクタに用いられているトランジスタをONできる(電流を流すことができる)値としてください。
※10kΩ~100kΩでよいと思います。
LR5061取扱説明書より抜粋
外部電源を持たないパルス出力機器との接続例
【修正】2024年9月
※お客様から計測に関するお問い合わせのあった内容で、他の皆様にも参考になる情報を公開しています。
※詳細につきましては取扱説明書、製品カタログ等を参照していただきますようお願い申し上げます。